´¨ÍÁ΢µç×ÓCA-IF1042LS/LVS-Q1 ¾ßÓСÀ42V¹ÊÕϱ£»£»£»£»£»¤µÄ CAN ÊÕ·¢Æ÷ÐÂÆ·Ðû²¼£¡¸Ã²úƷʵÏÖÁË´Ó¾§Ô²Éú²úµ½·â×°²âÊÔÌìϲú»¯¡£¡£¡£¡£¡£
01²úÆ·¸ÅÊö
CA-IF1042LS/LVS-Q1 CANÊÕ·¢Æ÷ϵÁÐÇкÏISO11898-2(2016)¸ßËÙCAN£¨¿ØÖÆÆ÷¾ÖÓòÍøÂ磩ÎïÀí²ã±ê×¼¡£¡£¡£¡£¡£ËùÓÐÆ÷¼þ¾ùÉè¼ÆÓÃÓÚÊý¾ÝËÙÂʸߴï5Mbps£¨Õ×λÿÃ룩µÄCAN FDÍøÂç¡£¡£¡£¡£¡£²¿¼þºÅ°üÀ¨¡°V¡±ºó׺µÄÆ÷¼þÅäÓÐÓÃÓÚI/Oµçƽת»»µÄ¸¨ÖúµçÔ´ÊäÈ루ÓÃÓÚÉèÖÃÊäÈëÒý½ÅãÐÖµºÍRXDÊä³öµçƽ£©¡£¡£¡£¡£¡£¸ÃϵÁÐÆ÷¼þ¾ßÓе͹¦ºÄ´ý»úģʽ¼°Ô¶³Ì½ÐÐÑÇëÇóÌØÕ÷¡£¡£¡£¡£¡£±ðµÄ£¬£¬£¬ËùÓÐÆ÷¼þ¾ù°üÀ¨¶àÖÖ±£»£»£»£»£»¤¹¦Ð§£¬£¬£¬ÒÔÌá¸ßÆ÷¼þºÍCANÍøÂçµÄÎȹÌÐÔ¡£¡£¡£¡£¡£
02²úÆ·ÌØÕ÷
? ÇÐºÏ ISO 11898-2:2016 ºÍ ISO 11898-5:2007 ÎïÀí²ã±ê×¼
? ËùÓÐÆ÷¼þ¾ùÖ§³Ö¾µä CAN ºÍ 5Mbps CAN FD£¨ÎÞаÊý¾ÝËÙÂÊ£©
? I/O µçѹ¹æÄ£Ö§³Ö 3.3V ºÍ 5V ΢¿ØÖÆÆ÷ (MCU)
? δÉϵçʱµÄÀíÏëÎÞÔ´ÌØÕ÷
- ×ÜÏߺÍÂß¼Òý½Å´¦ÓÚ¸ß×è̬£¨ÎÞ¸ºÔØ£©
- ÉϵçºÍµôµçʱ×ÜÏßºÍ RXD Êä³öÉÏÎÞë´ÌÂö³å
? ±£»£»£»£»£»¤ÌØÕ÷
- ×ÜÏß¹ÊÕϱ£»£»£»£»£»¤£º¡À42V
- VCC ºÍ VIO £¨½öÏÞ CA-IF1042LVS-Q1£©µçÔ´Òý½ÅÉϾßÓÐǷѹ±£»£»£»£»£»¤
- Çý¶¯Æ÷ÏÔÐÔ³¬Ê± (TXD DTO) ¨C ×îµÍÊý¾ÝËÙÂÊµÍ ÖÁ 4kbps
- Èȹضϱ£»£»£»£»£»¤ (TSD)
? ÎüÊÕÆ÷¹²Ä£ÊäÈëµçѹ£º¡À30V
? µä·¶»·»ØÑÓ³Ù£º155ns
? ½áιæÄ££º-55¡ãC ÖÁ 150¡ãC
? ¿ÉÌṩ SOIC8 ·â×°
03µä·¶Ó¦ÓÃ
? Æû³µ¼°½»Í¨ÔËÊäÐÐÒµ
? ¹¤Òµ¿ØÖÆ
? ÐÞ½¨×Ô¶¯»¯
? ¹©ÈÈ͸·ç¼°¿Õµ÷ϵͳ£¨HVAC£©
04Ñ¡Ðͱí

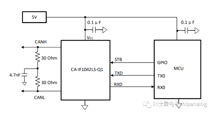
05Ó¦ÓÃͼ

CA-IF1042LS-Q1 CAN ×ÜÏߵ䷶ӦÓÃͼ

CA-IF1042LVS-Q1 CAN ×ÜÏߵ䷶ӦÓÃͼ
