ÍòÏòÓéÀÖ

ËÑË÷ º£±¨ÐÂÎÅ ÈÚýÌ徨Õó
  • ɽ¶«ÊÖ»ú±¨

  • º£±¨ÐÂÎÅ

  • ¹«¹²Íø¹Ù·½Î¢ÐÅ

  • ¹«¹²Íø¹Ù·½Î¢²©

  • ¶¶Òô

  • ÈËÃñºÅ

  • Ììϵ³Ã½Æ½Ì¨

  • ÑëÊÓÆµ

  • °Ù¼ÒºÅ

  • ¿ìÊÖ

  • Í·ÌõºÅ

  • ßÙÁ¨ßÙÁ¨

Ê×Ò³ >ÐÂÎÅ >ÐÂÎÅ

51²èÂ¥¶ùÕ˺Å£¬£¬51²èÂ¥¶ùÕ˺ʲÏí

2025-02-23 14:28:01
ȪԴ£º

¾ÙÄ¿ÎÞÇ×ÐÂÎÅÍø

×÷Õߣº

ÆÚ»õ

ÊÖ»úÉó²é

? 51²èÂ¥¶ùÕ˺ŠÊÇÒ»¸öרעÓÚ²èÎÄ»¯ÍƹãÓë·ÖÏíµÄƽ̨£¬£¬ÖÂÁ¦ÓÚΪ²èϲ»¶ÕßÌṩһ¸ö½»Á÷ºÍѧϰµÄÉçÇø¡£¡£ ¡£´Ó¾­µäµÄ¹Å°å²èÒûµ½Á¢ÒìµÄÏÖ´ú²èÒûÆ·£¬£¬ÕâÀï»ã¾ÛÁËÖݪֲèÏà¹ØµÄ֪ʶºÍÌåÑ飬£¬ÈÃÈËһ̽²èÌìϵÄÎÞÏÞ÷ÈÁ¦¡£¡£ ¡£

? ÔÚ 51²èÂ¥¶ùÕ˺ŠÉÏ£¬£¬Äã¿ÉÒÔÕÒµ½¹ØÓÚ²èÒ¶Ñ¡¹º¡¢³åÅݼ¼ÇÉÒÔ¼°²èÎÄ»¯µÄÉî¶ÈÆÊÎö¡£¡£ ¡£ÎÞÂÛÊdzõѧÈëÃŵÄÐÂÊÖ£¬£¬ÕÕ¾ÉÂÄÀú¸»ºñµÄ²èÒÕʦ£¬£¬¶¼ÄÜÔÚÕâÀïÕÒµ½ÊʺÏ×Ô¼ºµÄÄÚÈÝ¡£¡£ ¡£Õ˺Ű´ÆÚ¸üвè֪ʶ£¬£¬·ÖÏí²èµÀÐĵ㬣¬ÈÃÿλ²èÓѶ¼ÄÜÔÚ²èÏãÖÐÕÒµ½×Ô¼ºµÄÐËȤËùÔÚ¡£¡£ ¡£

? ×÷Ϊ²èÎÄ»¯µÄÈö²¥Õߣ¬£¬ 51²èÂ¥¶ùÕ˺Š»¹»áδ±ØÆÚ¾ÙÐÐÏßÉϲè»áºÍÆ·¼øÔ˶¯£¬£¬Ô¼Çë²èÓÑÃÇÒ»Æð¸ÐÊܲèµÄ÷ÈÁ¦¡£¡£ ¡£Í¨¹ýÕâЩ»¥¶¯Ô˶¯£¬£¬¸÷ÈË¿ÉÒÔ½áʶ¸ü¶à־ͬ־ºÏµÄÅóÙ­£¬£¬ÅäºÏ̽ÌÖ²èµÄÉñÃØ£¬£¬·ÖÏíÆ·²èÐĵ㬣¬½øÒ»²½¸»ºñ²èÒûÉúÑÄ¡£¡£ ¡£

-Cola ÎÞÂÛÊÇÏëѰÕÒ²èÒ¶¹ºÖÃÇþµÀ£¬£¬ÕÕ¾ÉÏëÏàʶ²èµÄÀúÊ·ÓëÎÄ»¯£¬£¬ 51²èÂ¥¶ùÕ˺ж¼ÊÇÒ»¸ö²»¿É¶àµÃµÄ±¦²Ø¡£¡£ ¡£Õ˺ݹÌṩÁ˸»ºñµÄ²èÆ·ÍÆ¼ö£¬£¬°üÀ¨ÖÖÖÖÃû²èºÍÌØÉ«²èÒû£¬£¬Öª×ã²èÓÑÃǵIJî±ðÐèÇ󡣡£ ¡£ÔÚÕâÀ£¬Ã¿Ò»Æ¬²èÒ¶¶¼Äܽ²ÊöÒ»¸ö¹ÊÊ£¬£¬Ã¿Ò»±­²èÌÀ¶¼ÄÜת´ïÒ»·ÝÎÂů¡£¡£ ¡£

? ¹Ø×¢ 51²èÂ¥¶ùÕ˺Å£¬£¬¿ªÆôÄãµÄ²èÎÄ»¯Ö®Âᣡ£ ¡£ÎÞÂÛÊÇÒ»Ñùƽ³£Æ·ÒûÕÕ¾ÉÌØÊⳡºÏ£¬£¬¶¼ÄÜÕÒµ½ÊʺϵIJèÒ¶ºÍ³åÅÝÒªÁì¡£¡£ ¡£²è²»µ«ÊÇÒûÆ·£¬£¬¸üÊÇÒ»ÖÖÉúÑÄ̬¶È£¬£¬ÈÃÎÒÃÇÒ»ÆðÔÚ²èÏãÖиÐÊÜÉúÑĵÄÓÅÃÀ°É£¡

²èÎÄ»¯ #²èÒ¶ÍÆ¼ö #²èµÀ¼¼ÇÉ #51²èÂ¥¶ùÕ˺Š#²èÓѽ»Á÷

³µÚéСÏï×Ó150ÏêϸλÖÃÔÚÄÄ ÉÙ¸¾ÓñÈËÉÏÃÅ
Ïà¹ØÍÆ¼ö »»Ò»»»

Copyright (C) 2001-   dzwww.com. All Rights Reserved

ÐÂÎÅÐÅϢЧÀÍÔÊÐíÖ¤ - ÒôÏñÖÆÆ·³öÊéÔÊÐíÖ¤ - ¹ã²¥µçÊÓ½ÚÄ¿ÖÆ×÷ı»®ÔÊÐíÖ¤ - ÍøÂçÊÓÌýÔÊÐíÖ¤ - ÍøÂçÎÄ»¯Ä±»®ÔÊÐíÖ¤

ɽ¶«Ê¡»¥ÁªÍø´«Ã½¼¯ÍÅÖ÷Àí  ÁªÏµµç»°£º**2  Î¥·¨²»Á¼ÐÅÏ¢¾Ù±¨µç»°£º**0

³ICP±¸09023866ºÅ-1   ³¹«Íø°²±¸ 37010202000111ºÅ

Copyright (C) 2001- Dzwww   ³ICP±¸09023866ºÅ-1

¡¾ÍøÕ¾µØÍ¼¡¿¡¾sitemap¡¿
¡¾ÐÂÆ·Ðû²¼¡¿´¨ÍÁ΢µç×ÓCA-IF43232Ex Ö§³Ö3Vµ½5.5V¶àͨµÀRS232ÊÕ·¢Æ÷_ÐÐÒµ¶¯Ì¬_ÐÂÎÅÖÐÐÄ_ÍòÏòÓéÀÖ

ÍòÏòÓéÀÖ

È«ÇòODM¡¢OEMºÍEMSÌṩ×îרҵ¡¢×î¿É¿¿ºÍ×îÖÜÈ«µÄµç×ÓÔªÆ÷¼þÅäÌ×ЧÀÍ£¡
×ÉѯÈÈÏߣº 0755-26605389

ÐÂÎÅÖÐÐÄ

¡¾ÐÂÆ·Ðû²¼¡¿´¨ÍÁ΢µç×ÓCA-IF43232Ex Ö§³Ö3Vµ½5.5V¶àͨµÀRS232ÊÕ·¢Æ÷

×÷ÕߣºÊ×´´ÈË      ʱ¼ä£º2023-12-05 11:14:17

´¨ÍÁ΢µç×ÓCA-IF43232Ex Ö§³Ö3Vµ½5.5V¶àͨµÀRS232ÊÕ·¢Æ÷ÐÂÆ·Ðû²¼£¡


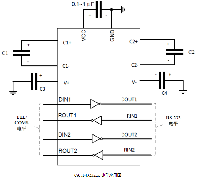
01²úÆ·¸ÅÊö



CA-IF3223Ex Æ÷¼þÓÉÁ½¸öÏß·Çý¶¯Æ÷¡¢Á½¸öÏß·ÎüÊÕÆ÷ºÍÒ»¸ö˫·µçºÉ±Ãµç·×é³É£¬£¬ ¸ÃÆ÷¼þÇÐºÏ TIA/EIA-232-FµÄÒªÇó²¢ÔÚÒ첽ͨѶ¿ØÖÆÆ÷Óë´®Ðж˿ÚÅþÁ¬Æ÷Ö®¼äÌṩµçÆø½Ó¿Ú¡£¡£ ¡£Ö§³ÖÓÉ 3V ÖÁ 5.5V µ¥µçÔ´¹©µç£¬£¬Ð¾Æ¬ÄÚ²¿µçºÉ±ÃÐèÒªÍâ½ÓËĸöСÐÍÍⲿµçÈÝÆ÷¡£¡£ ¡£CA-IF43232Ex Ö§³Ö×î´óͨѶËÙÂÊ250kbps£¬£¬DOUT1/DOUT2 Êä³öѹ°ÚÂÊ×î´óֵΪ30V/¦Ìs¡£¡£ ¡£



02²úÆ·ÌØÕ÷




? ÇкÏTIA/EIA-232-F ºÍITU V.28 ±ê×¼

? ¼¯³Éµçƽת»»¹¦Ð§£¬£¬Ö§³Ö VCC ÊÂÇé½Úµã£º3.3V »ò5.0V

? ˫ͨµÀÇý¶¯Æ÷ºÍ˫ͨµÀÎüÊÕÆ÷

? ×î´óÊý¾ÝËÙÂÊ250Kbps

? µÍµçÔ´µçÁ÷(µä·¶ÖµÎª1mA)

? ˫·µçºÉ±ÃÍâ½Ó4 ¸ö0.1 ¦ÌF µÄµçÈÝ

? Öª×ãÉõÖÁÁè¼Ý RS-232 ½Ó¿ÚµÄ¼æÈÝÐÔÒªÇó

? ·â×°ÐÎʽ£ºSOIC16-NB(N)¡¢TSSOP16(TB)


03µä·¶Ó¦ÓÃ



? ÓÐÏßÍøÂç

? Êý¾ÝÖÐÐÄºÍÆóÒµ¼¶ÅÌËã

? µç³Ø¹©µçÐÍϵͳ

? µçÄÔ

? ´òÓ¡»ú


04Ó¦ÓÃͼ



image



¡¾ÍøÕ¾µØÍ¼¡¿¡¾sitemap¡¿