ÍòÏòÓéÀÖ

È«ÇòODM¡¢OEMºÍEMSÌṩ×îרҵ¡¢×î¿É¿¿ºÍ×îÖÜÈ«µÄµç×ÓÔªÆ÷¼þÅäÌ×ЧÀÍ£¡
×ÉѯÈÈÏߣº 0755-26605389

ÐÂÎÅÖÐÐÄ

¡¾ÐÂÆ·Ðû²¼¡¿´¨ÍÁ΢µç×ÓCA-IS3020WG ³¬¿íÌå¸ôÀëI2C

×÷ÕߣºÊ×´´ÈË      ʱ¼ä£º2024-07-18 08:36:13

01²úÆ·¸ÅÊö



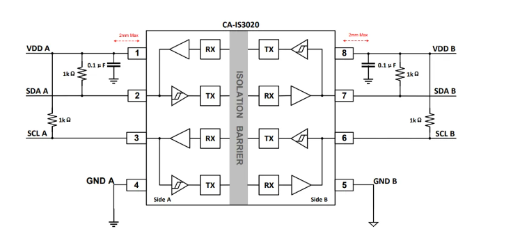
CA-IS3020WGΪÍêÕûµÄË«Ïò¡¢Ë«Í¨µÀÊý×Ö¸ôÀëÆ÷£¬£¬£¬£¬¿ÉÌṩ7.5kVRMSµçÆø¸ôÀ룬£¬£¬£¬ÒÔ¼°¸ß´ï¡À150kV/¦ÌsµÄµä·¶CMTI¡£¡£¡£¡£¡£ËùÓÐÆ÷¼þµÄÊäÈë½ÓÄÉÊ©ÃÜÌØ´¥·¢Æ÷£¬£¬£¬£¬Ìá¸ß¿¹×ÌÈÅÄÜÁ¦¡£¡£¡£¡£¡£Ã¿¸ö¸ôÀëͨµÀµÄÊý×ÖÊäÈëÓëÊä³öͨ¹ý¶þÑõ»¯¹è(SiO2)¾øÔµ²ã¸ôÀ룬£¬£¬£¬Ìṩ½Ï¸ßµÄµç´Å×ÌÈÅÒÖÖÆºÍµÍEMIÌØÕ÷¡£¡£¡£¡£¡£¸ß¼¯³É¶ÈÉè¼Æ½öÐèÁ½¸öÍⲿVDDA¡¢VDDBÅÔ·µçÈݺÍÉÏÀ­µç×裬£¬£¬£¬¼´¿É×é³ÉI2C¸ôÀë½Ó¿Ú¡£¡£¡£¡£¡£

 

CA-IS3020WG¿ÉÖ§³ÖDCÖÁ2.0MHz´«ÊäËÙÂÊ£¬£¬£¬£¬ÌṩÁ½Â·Ë«Ïò¡¢¿ªÂ©Êä³ö¸ôÀëͨµÀ£¬£¬£¬£¬ÓÃÓÚÖ§³Ö¶àÖ÷»úI2CµÈÐèÒªÔÚͳһ×ÜÏßË«Ïò´«ÊäÊý¾Ý»òʱÖÓµÄË«Ïò¸ôÀëÓ¦Óᣡ£¡£¡£¡£Æ÷¼þA²à(VDDA)¡¢B²à(VDDB)µ¥¶À¹©µç£¬£¬£¬£¬¹©µçµçѹ¹æÄ£Îª3.0VÖÁ5.5V¡£¡£¡£¡£¡£

 

CA-IS3020WG¿ÉÊÂÇéÔÚ-40¡ãCÖÁ+125¡ãCζȹæÄ££¬£¬£¬£¬½ÓÄÉ8Òý½Å³¬¿íÌåSOIC·â×°¡£¡£¡£¡£¡£ÓÉÓڽϿíµÄÊÂÇéζȹæÄ£ºÍ½Ï¸ßµÄ¸ôÀëÄÍѹ£¬£¬£¬£¬¸ÃϵÁÐÆ÷¼þÊÊÓÃÓÚÇ¿×ÌÈŵĹ¤ÒµÇéÐΡ£¡£¡£¡£¡£


02²úÆ·ÌØÕ÷



Ö§³ÖDC ÖÁ 2.0MHzË«ÏòÊý¾Ý´«Êä

? ¿É¿¿µÄÊý×ÖÐÅºÅµçÆø¸ôÀë

- ½Ï³¤µÄÊÂÇéÊÙÃü£º > 40Äê

- Ìṩ7.5kVRMS(³¬¿íÌåSOIC)µçÆø¸ôÀë

- ¡À150kV/¦Ìsµä·¶CMTI

- Ê©ÃÜÌØ´¥·¢ÊäÈëÌá¸ß¿¹×ÌÈÅÄÜÁ¦

- ½Ï¸ßµÄµç´ÅÒÖÖÆ£¬£¬£¬£¬¿ÉÔâÊÜ×î¸ß¡À12.8kVÀËÓ¿

- ¡À8kV ESD±£»£»£»£»¤(ÈËÌåģʽ)

? ¿ªÂ©Êä³ö£º

A²à¿ÉÖ§³Ö×î¸ß3.5mA¹àµçÁ÷

- B²à¿ÉÖ§³Ö×î¸ß35mA¹àµçÁ÷

? 3.0VÖÁ5.5V¿íѹÊÂÇ鹿ģ

? ½Ï¿íµÄÊÂÇéζȹæÄ££º-40¡ãC to 125¡ãC

? Ìṩ³¬¿íÌåSOIC8-WWB (WG)·â×°



03·â×°±ÈÕÕ



image

image


04Ó¦ÓÃÁìÓò



? I2C, SMBus, PMBus½Ó¿Ú

? µç»ú¿ØÖÆÏµÍ³

? Ò½ÁÆ×°±¸

? µç³ØÖÎÀíϵͳ

? ÒÇÆ÷ÒDZí


05µä·¶Ó¦ÓÃ



image

´¨ÍÁ΢µç×ÓCA-IS302XµÍ¹¦ºÄË«Ïò¸ôÀëI2C½Ó¿ÚÌṩ¸»ºñµÄ·â×°Ñ¡ÐÍ£¬£¬£¬£¬°üÀ¨Õ­ÌåSOIC8¡¢¿íÌåSOIC8¡¢¿íÌåSOIC16ÒÔ¼°±¾´ÎÍÆ³öµÄ³¬¿íÌåSOIC8£¬£¬£¬£¬Äܹ»³ä·ÖÖª×ã¿Í»§µÄÓ¦ÓÃÐèÇ󣬣¬£¬£¬ÓÐÓö©¹ºÐͺÅÈçϱíËùʾ£º

ͼƬ

×èÖ¹ÏÖÔÚ£¬£¬£¬£¬´¨ÍÁ΢µç×Ó³¬¿íÏÏû³ÁÐÒÑÁ¿²úCA-IS38XX˫ͨµÀ¡¢ÈýͨµÀ¼°ËÄͨµÀÔöÇ¿¾øÔµÊý×Ö¸ôÀëÆ÷£¬£¬£¬£¬±¾´ÎÍÆ³öµÄ³¬¿íÌå¸ôÀëI2C½Ó¿Ú¿ÉÌṩËÍÑù£¬£¬£¬£¬¸ü¶à³¬¿íÏÏû³ÁвúÆ·£¬£¬£¬£¬¾´ÇëÆÚ´ý£¡



¡¾ÍøÕ¾µØÍ¼¡¿¡¾sitemap¡¿